
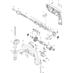
Makita HP2040 13mm 2 Speed Percussion Drill Parts
Spares for Makita HP2040 13mm 2 Speed Percussion Drill.
Spares for Makita HP2040 13mm 2 Speed Percussion Drill.
Shop by diagram
All products
-
Makita Power Supply Cord 1.0-2-2.5 - 692021-2£7.84 £6.53 -
Makita Leaf Spring HP1020/6012hdw - 232053-3£0.48 £0.40 -
Makita Leaf Spring 8450/HP1500/8451 - 232134-3£0.48 £0.40 -
Makita Compression Spring 18 - 233169-7£0.48 £0.40 -
Makita Sleeve 8 HP2040 - 262541-6£0.48 £0.40 -
Makita Change Button 8450/HP1500/845 - 415453-4£0.48 £0.40 -
Makita Strain Relief UH4570/55/5580/ - 687063-9£0.48 £0.40 -
Makita Thin Blue Washer 15 HS0600 - 267164-5£0.62 £0.52 -
Makita Slide Plate HP2040 - 344440-5£0.62 £0.52 -
Strain Relief for Makita Machines - 687052-4£0.79 £0.66 -
Makita Name Plate HP2040 - 859033-0£0.79 £0.66 -
Makita Fan 55 HP1620/21/40/41 - 240067-8£0.94 £0.78 -
Makita Blue Washer 22 5603r - 267126-3£0.94 £0.78 -
Makita Hard Washer 8 UH4860/8412d - 253777-8£1.25 £1.04 -
Makita Change Plate 8450/HP1500/HP15 - 344419-6£1.25 £1.04 -
Makita O Ring 22 DUR182/183/906/6825 - 213373-4£1.42 £1.18 -
Makita Retainer HP2040 - 344439-0£1.42 £1.18 -
Makita Slider HP2040 - 416189-8£1.42 £1.18 -
Makita Change Lever Complete HP2040 - 152559-4£1.70 £1.42 -
Makita Cam B HP2040 - 223119-0£1.70 £1.42 -
Makita Ball Bearing 696zz BUC121/122 - 210026-6£3.12 £2.60 -
Makita Grip Base GD0801c/GD0811c - 415485-1£4.16 £3.47 -
Makita Spur Gear 28-38 HP2040 - 226331-1£5.60 £4.67 -
Makita Inner Housing Complete HP2040 - 159965-4£5.98 £4.98 -
Makita Cam A HP2040 - 223118-2£11.32 £9.43 -
Makita Field Assembly 110v HP2040 - 633346-5£12.88 £10.73 -
Makita Field Assembly 240v HP2040 - 633348-1£12.88 £10.73 -
Makita Housing Set HP2040 - 182906-5£16.90 £14.08 -
Makita Spindle HP2040 - 322920-1£21.32 £17.77