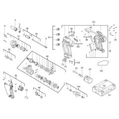
Milwaukee M18ONEFPRT Rivet Gun Parts
Genuine and aftermarket spare parts and accessories for Milwaukee M18ONEFPRT Rivet Gun Ratchet. A selection in stock available for next day delivery. Buy from an approved Milwaukee dealer.
Genuine and aftermarket spare parts and accessories for Milwaukee M18ONEFPRT Rivet Gun Ratchet. A selection in stock available for next day delivery. Buy from an approved Milwaukee dealer.
Shop by diagram
All products
-
Screw for Milwaukee Machines - OEM No. 660570005£1.69 £1.41 -
Screw for Milwaukee M12FNB16 Percussion Drill£1.44 £1.20 -
Hook for Milwaukee M18BLPD2 Percussion Drill£4.32 £3.60 -
Insert for Milwaukee Machines - OEM No. MIL4931479242£12.88 £10.73 -
Sleeve for Milwaukee Machines - OEM No. MIL4931479221£32.81 £27.34 -
Gear Case for Milwaukee Machines - OEM No. MIL4931479229£58.50 £48.75 -
Housing for Milwaukee Machines - OEM No. MIL4931479238£74.18 £61.82 -
Electronic for Milwaukee Machines - OEM No. MIL4931479231£179.38 £149.48 -
Gear Box Assy for Milwaukee Machines - OEM No. MIL4931479233£303.12 £252.60 -
Rotor for Milwaukee Machines - OEM No. 4931479241£51.36 £42.80