Description
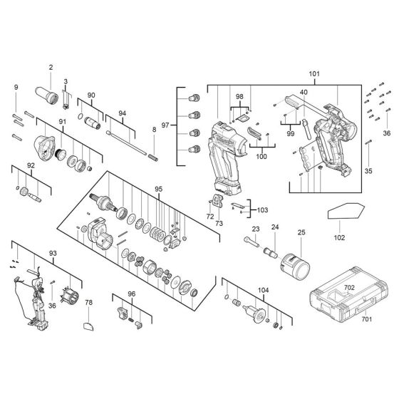
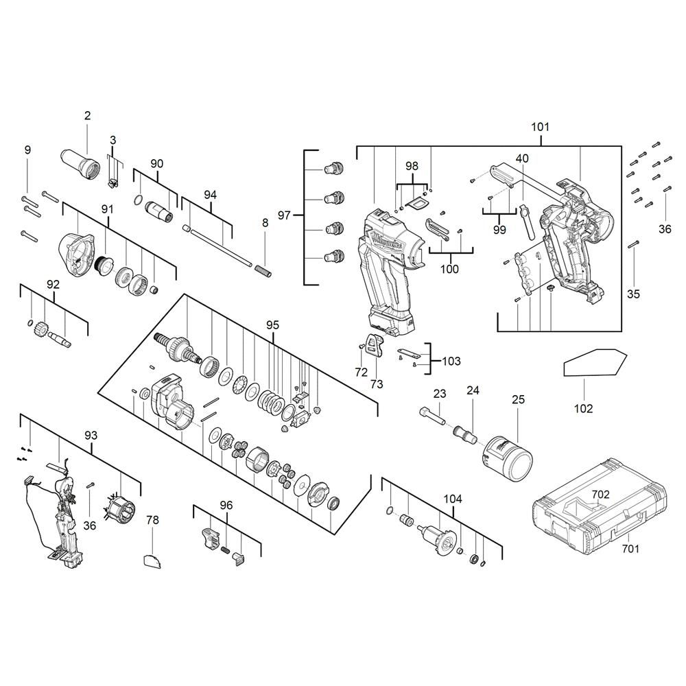
The Complete Assembly for Milwaukee M18ONEFPRT Cordless Rivet Guns includes essential components to ensure optimal performance and durability. This assembly is designed to support the efficient operation of the rivet gun, providing reliable fastening solutions. Components may include rivet jaws, nosepieces, and springs, all crafted to meet Milwaukee's high standards.
Reviews
Add a review
Write Your Own Review
Ask a Question
Customer Questions

