Description
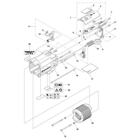
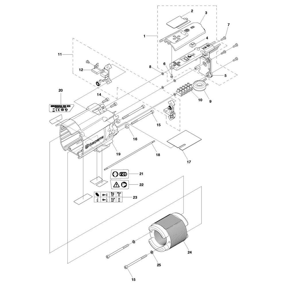
The Motor Assembly for the Husqvarna DM 220 Core Drill includes key components to ensure optimal performance and longevity. This assembly is crucial for maintaining the drill's efficiency and includes parts such as rotors, stators, and bearings. Designed for precision drilling tasks, it supports the core drill in delivering consistent power and reliability.
Reviews
Add a review
Write Your Own Review
Ask a Question
Customer Questions

