Description
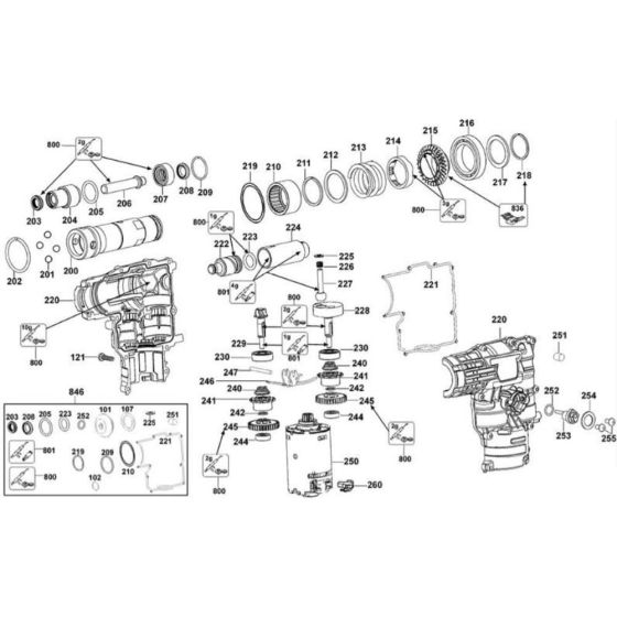
The Motor Assembly for the DeWalt DC234K Type 2 Rotary Hammer is designed to ensure optimal performance and longevity. This assembly includes key components such as armatures, brushes, and bearings, which are essential for maintaining the tool's efficiency and power. Available in genuine and non-genuine DeWalt parts, it supports routine maintenance and repairs.
Reviews
Add a review
Write Your Own Review
Ask a Question
Customer Questions

