Description
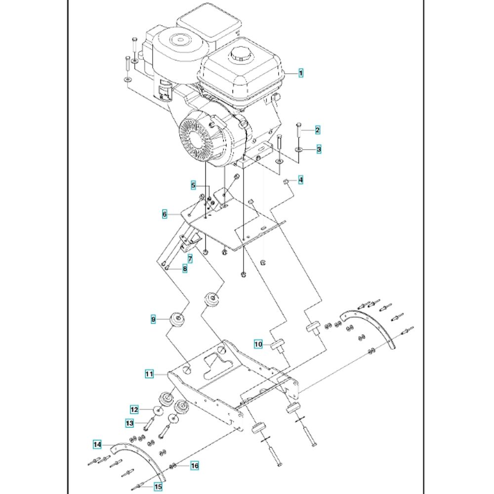
The Motor Assembly for the Husqvarna MS 510 Masonry Saw is designed to ensure optimal performance and longevity of your equipment. This assembly includes key components such as the motor housing, rotor, and stator, which work together to deliver efficient power and reliability. Genuine Husqvarna parts guarantee compatibility and durability, making them ideal for maintaining the saw's cutting precision and operational efficiency.
Reviews
Add a review
Write Your Own Review
Ask a Question
Customer Questions

