Description
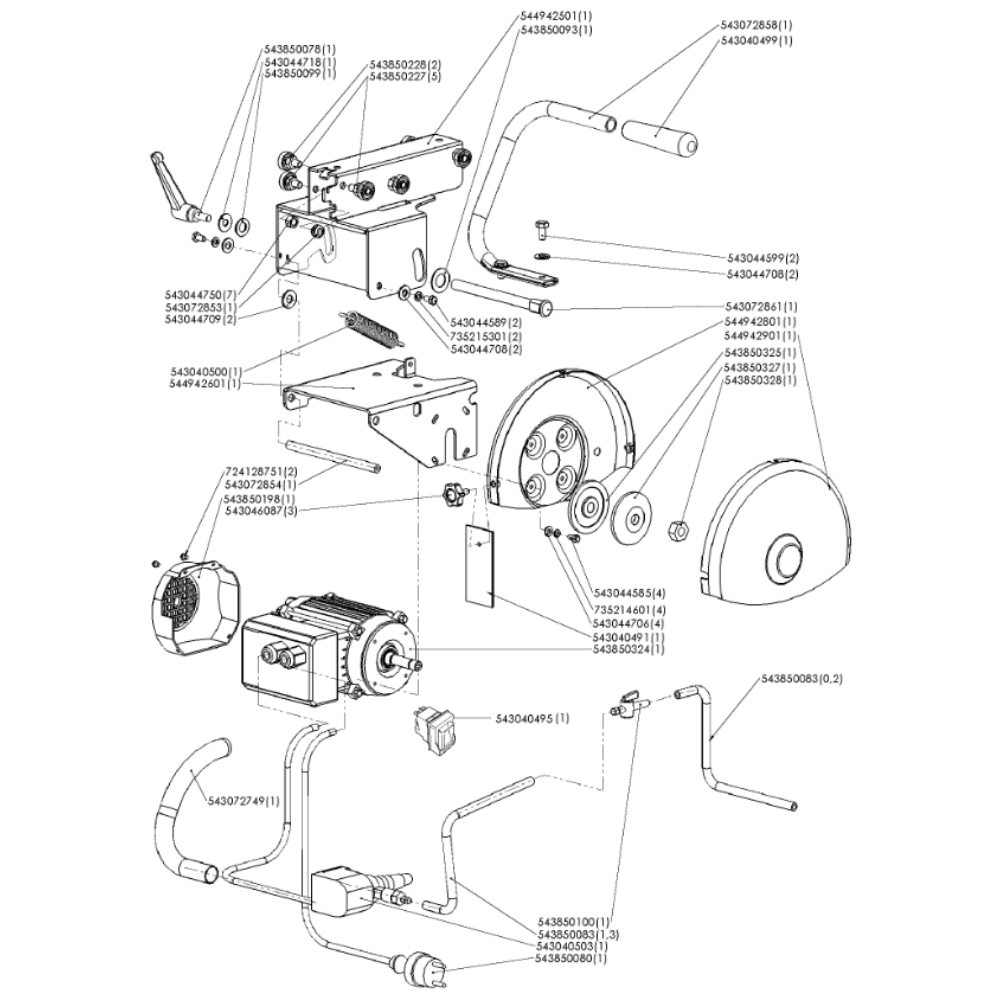
The Motor and Blade Guard Assembly for the Husqvarna TS 66 R Masonry Saw includes key components to ensure optimal cutting performance and safety. This assembly helps protect the motor and blade, providing stability and precision during operation. Essential parts such as guards, housings, and fasteners are included to maintain the saw's efficiency and longevity.
Reviews
Add a review
Write Your Own Review
Ask a Question
Customer Questions

