Description
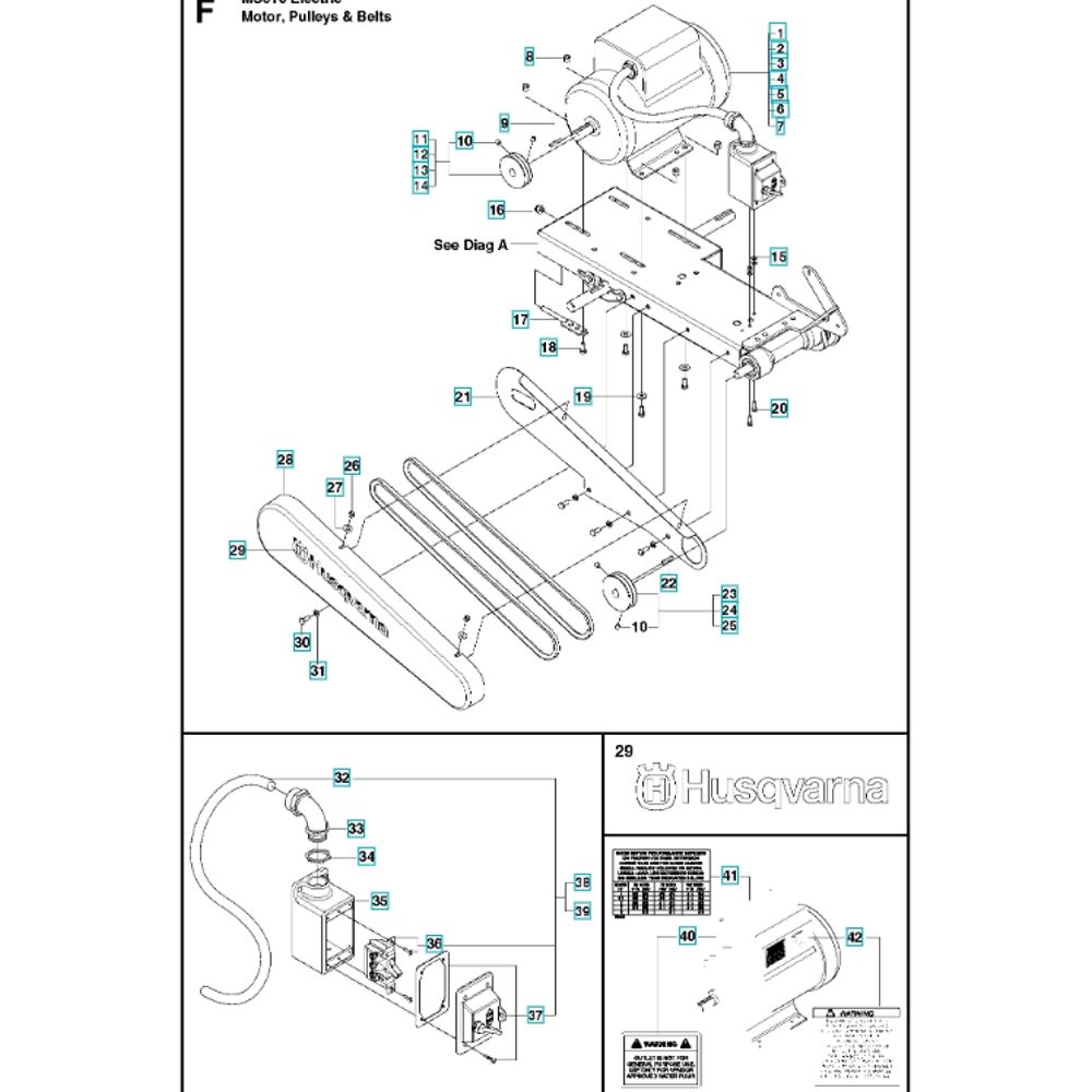
The Motor, Pulley & Belts Assembly for the Husqvarna MS 610 Masonry Saw ensures optimal performance and longevity. This assembly includes key components such as the motor, pulleys, and belts, which work together to drive the saw efficiently. Genuine Husqvarna parts guarantee compatibility and reliability, making it ideal for maintaining your masonry saw.
Reviews
Add a review
Write Your Own Review
Ask a Question
Customer Questions

