Description
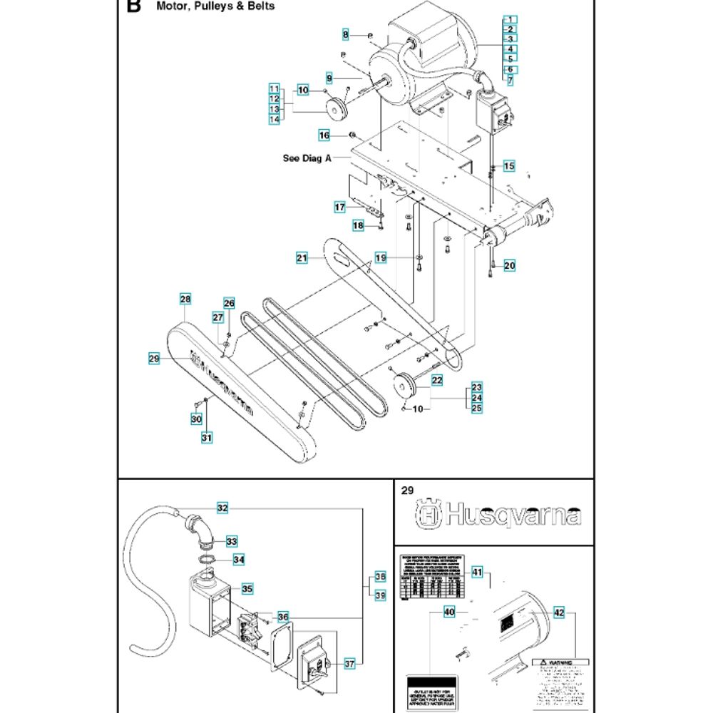
The Motor, Pulley & Belts Assembly for the Husqvarna MS 510 Masonry Saw includes essential components for optimal performance. This assembly ensures efficient power transmission and smooth operation, crucial for cutting tasks. Genuine Husqvarna parts provide reliability and durability, featuring components like pulleys, belts, and motor parts to maintain the saw's functionality.
Reviews
Add a review
Write Your Own Review
Ask a Question
Customer Questions

