Description
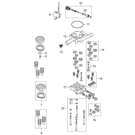
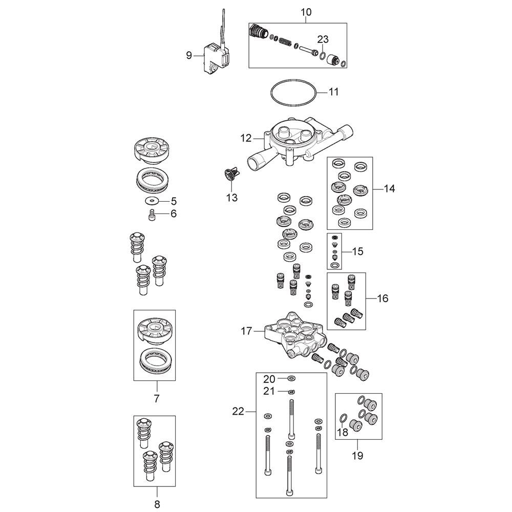
The Motor Pump Assembly for the Nilfisk C120.3-6 PC Pressure Washer is designed to ensure optimal performance and longevity. This assembly includes key components such as the motor and pump, which work together to deliver high-pressure water flow for effective cleaning. Genuine Nilfisk parts ensure compatibility and reliability, making it ideal for maintaining your pressure washer's efficiency.
Reviews
Add a review
Write Your Own Review
Ask a Question
Customer Questions

