Description
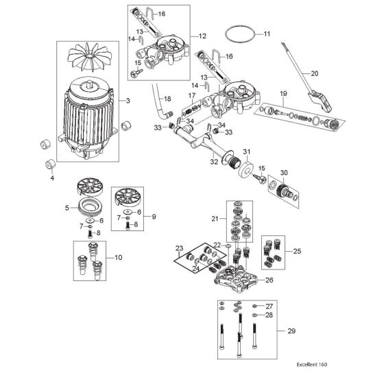
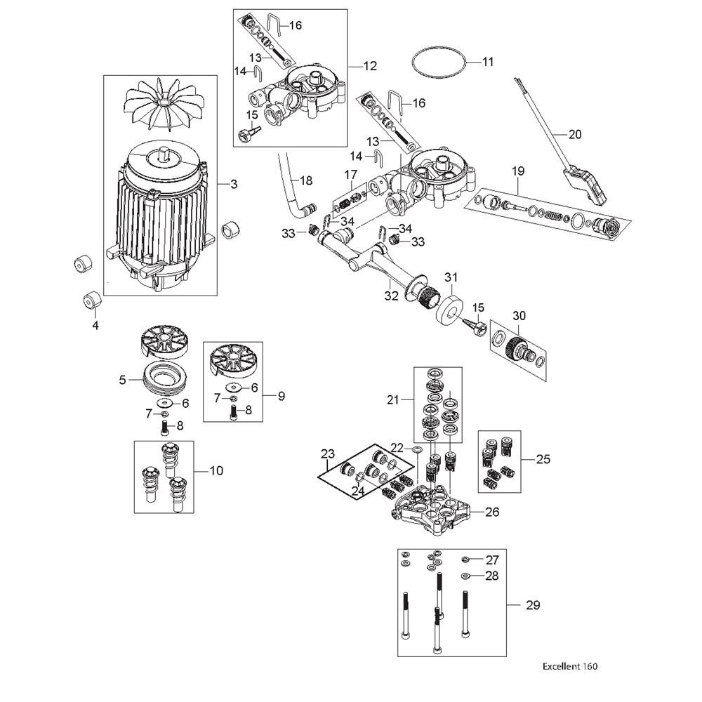
The Motor Pump Assembly for the Nilfisk EXCELLENT 160-10 P Pressure Washer is designed to ensure optimal performance and longevity. This assembly includes key components such as the motor and pump, which work together to deliver high-pressure water flow for effective cleaning. Regular maintenance of these parts helps maintain efficiency and reliability.
Reviews
Add a review
Write Your Own Review
Ask a Question
Customer Questions

