Description
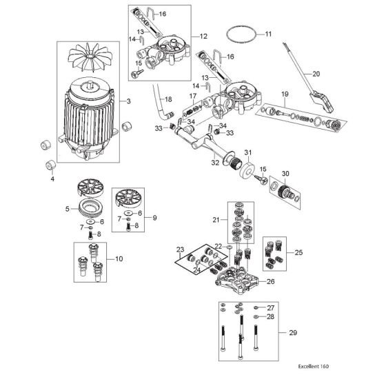
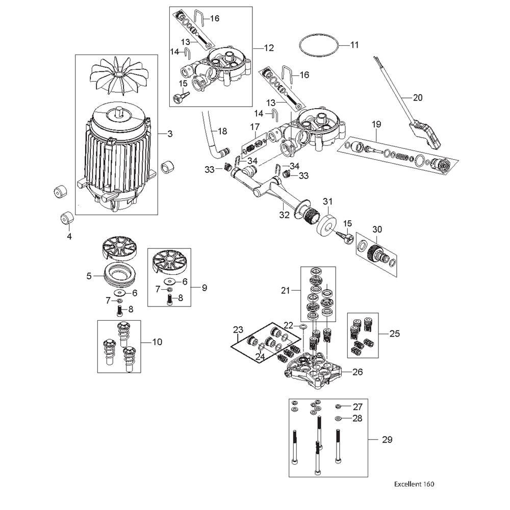
The Motor Pump Assembly for the Nilfisk EXCELLENT 160-10 PA Pressure Washer is designed to ensure optimal performance and longevity. This assembly includes key components such as the motor, pump, and seals, which work together to deliver powerful water pressure for effective cleaning. Suitable for routine maintenance and repair, it helps maintain the efficiency of your pressure washer.
Reviews
Add a review
Write Your Own Review
Ask a Question
Customer Questions

