Description
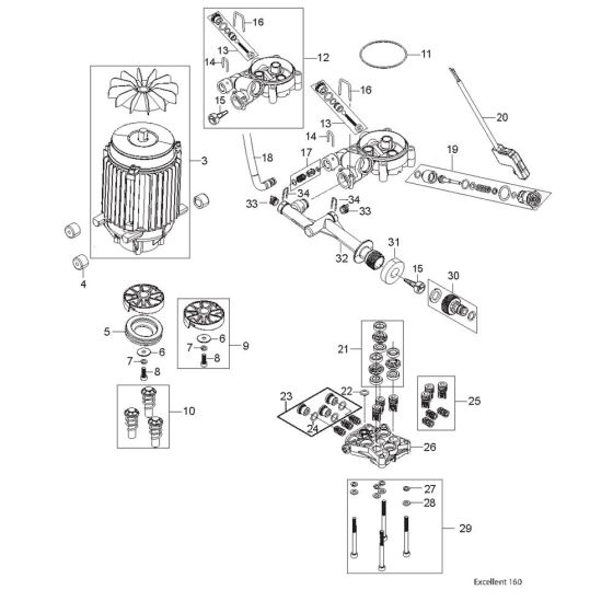
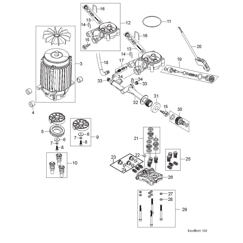
The Motor Pump Assembly for the Nilfisk EXCELLENT 160-10 PAD Pressure Washer is designed to ensure optimal performance and longevity. This assembly includes key components such as the motor and pump, which work together to deliver powerful water pressure for effective cleaning. Genuine Nilfisk parts ensure compatibility and reliability, making maintenance straightforward.
Reviews
Add a review
Write Your Own Review
Ask a Question
Customer Questions

