Description
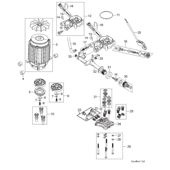
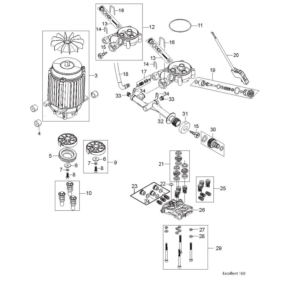
The Motor Pump Assembly for the Nilfisk EXCELLENT 160-10 Pressure Washer is crucial for maintaining optimal performance. This assembly ensures efficient water flow and pressure, essential for effective cleaning. Genuine Nilfisk parts are included, such as seals, valves, and connectors, to guarantee compatibility and reliability. Regular maintenance with these components helps extend the lifespan of your pressure washer.
Reviews
Add a review
Write Your Own Review
Ask a Question
Customer Questions

