Description
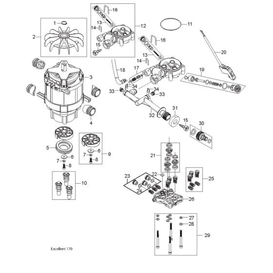
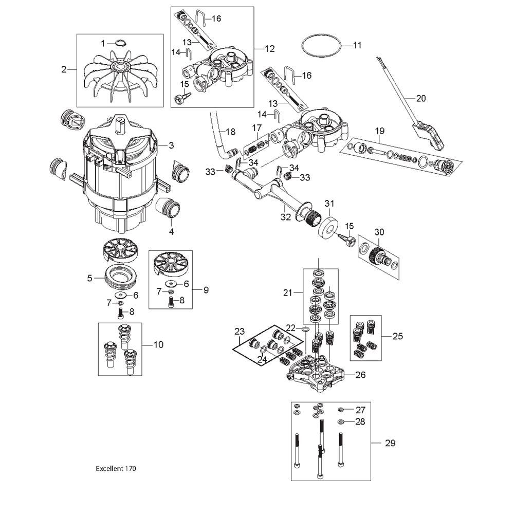
The Motor Pump Assembly for the Nilfisk EXCELLENT 170-10 PA Pressure Washer is designed to ensure efficient water flow and optimal pressure delivery. This assembly includes key components such as the motor, pump, and seals, which work together to maintain the washer's performance. Ideal for routine maintenance and repair, it helps extend the lifespan of your pressure washer.
Reviews
Add a review
Write Your Own Review
Ask a Question
Customer Questions

