Description
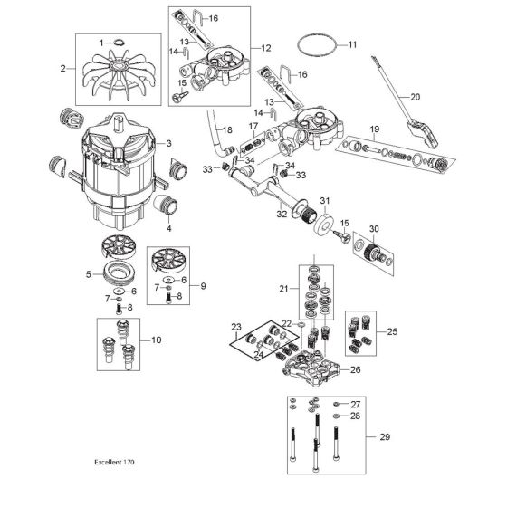
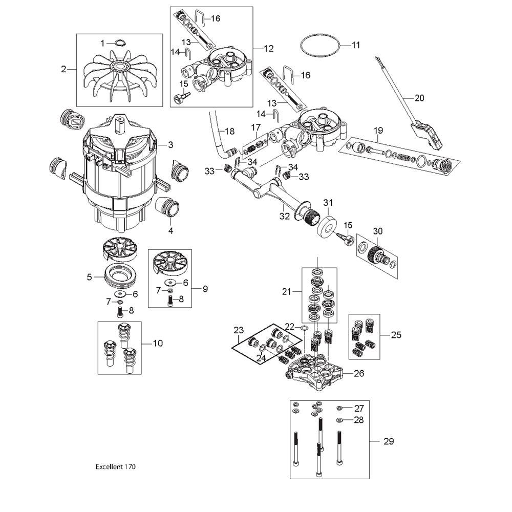
The Motor Pump Assembly for the Nilfisk EXCELLENT 170-10 PAD Pressure Washer is designed to ensure optimal performance and longevity. This assembly includes key components such as the motor and pump, which work together to deliver high-pressure water flow for effective cleaning. Genuine Nilfisk parts ensure compatibility and reliability, making it suitable for routine maintenance and repairs.
Reviews
Add a review
Write Your Own Review
Ask a Question
Customer Questions

