Description
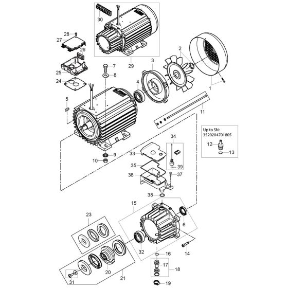
The Motor Pump Assembly for the Nilfisk SC UNO 5M Pressure Washer is designed to ensure optimal performance and longevity. This assembly includes key components such as the motor and pump, which work together to deliver high-pressure water flow for effective cleaning. Suitable for various maintenance and repair tasks, it helps maintain the efficiency and reliability of your pressure washer.
Reviews
Add a review
Write Your Own Review
Ask a Question
Customer Questions

