Description
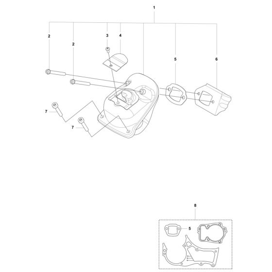
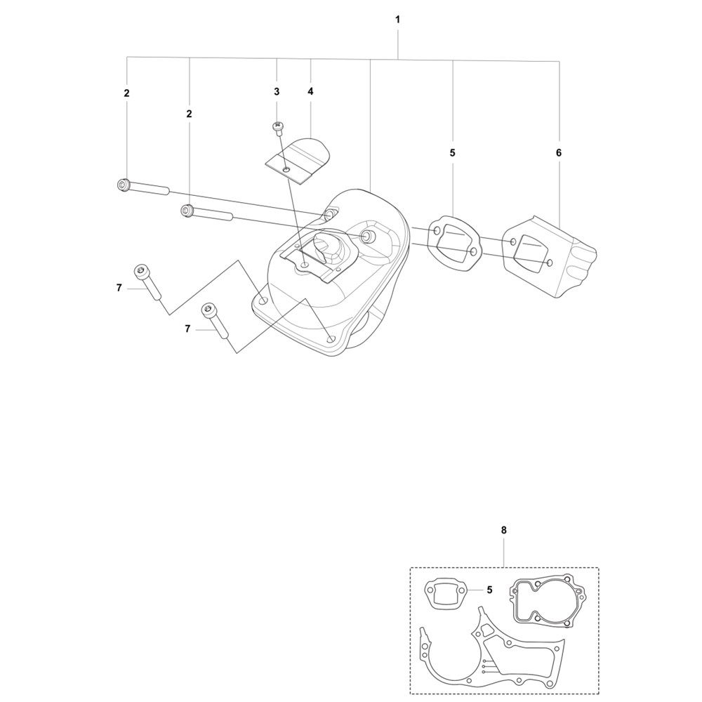
The Muffler Assembly for the Husqvarna 560XPG Mark II Chainsaw is designed to optimise exhaust flow and reduce noise levels during operation. This assembly includes components such as baffles, gaskets, and mounting brackets, ensuring efficient performance and longevity of the chainsaw. Genuine Husqvarna parts ensure compatibility and reliability for demanding cutting tasks.
Reviews
Add a review
Write Your Own Review
Ask a Question
Customer Questions

