Description
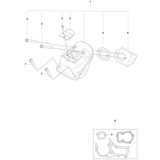
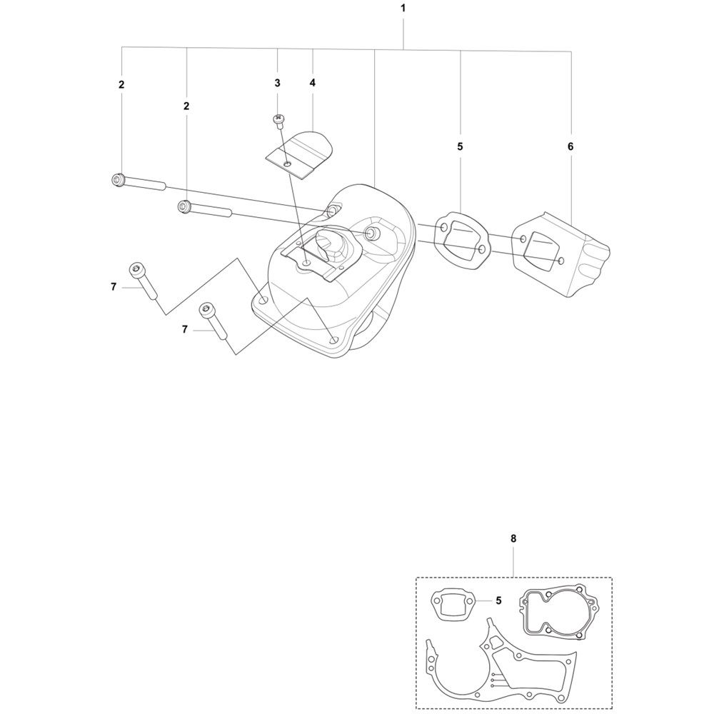
The Muffler Assembly for the Husqvarna 562XPG Mark II Chainsaw is designed to ensure optimal exhaust flow and noise reduction. This assembly includes components such as the muffler body, baffles, and mounting hardware, all crucial for maintaining engine performance and reducing emissions. Genuine Husqvarna parts ensure compatibility and reliability for your chainsaw.
Reviews
Add a review
Write Your Own Review
Ask a Question
Customer Questions

