Nilfisk MH 3C-90/670 PAX 230/1/50 Electric Pressure Washer Parts
Shop by diagram

Boiler Assembly for Nilfisk

Burner Unit for Nilfisk Washer

Fan Assembly for Nilfisk MH 3C

Flow Control Assembly for Nilfisk

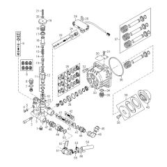
Pump Assembly for Nilfisk

Motor Assembly for Nilfisk

Electric Box Assembly for Nilfisk

Anti Scale Assembly for Nilfisk

Detergent Tank Assembly

Water Inlet Assembly for Nilfisk

Fuel Tank Assembly for Nilfisk

Water Break Tank Assembly

Hose Reel Assembly for Nilfisk

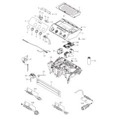
Frame Assembly for Nilfisk

Cabinet Assembly for Nilfisk
All products
-
Screw M8x60 for Nilfisk Machines - OEM No. 3453£1.13 £0.94
-
Screw M5x30 for Nilfisk Machines - OEM No. 3873£1.20 £1.00
-
Screw 2.9x19 for Nilfisk Machines - OEM No. 5606£1.20 £1.00
-
Washer M8 for Nilfisk Machines - OEM No. 1800796£1.20 £1.00
-
Screw M6x16 for Nilfisk Machines - OEM No. 4697£1.02 £0.85
-
Screw M5x16 for Nilfisk Machines - OEM No. 32535£1.02 £0.85