Description
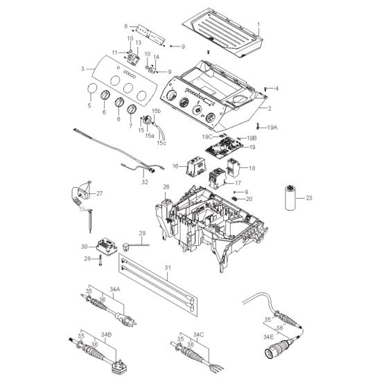
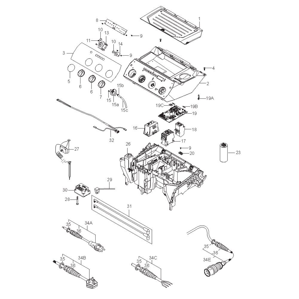
The Electric Box Assembly for the Nilfisk MH 3C-90/670 PAX 230/1/50 Pressure Washer is designed to ensure optimal performance and safety. This assembly includes key components such as circuit boards, switches, and connectors, which are crucial for the efficient operation of the pressure washer. Regular maintenance of these parts helps in prolonging the machine's lifespan and maintaining its reliability.
Reviews
Add a review
Write Your Own Review
Ask a Question
Customer Questions

