Description
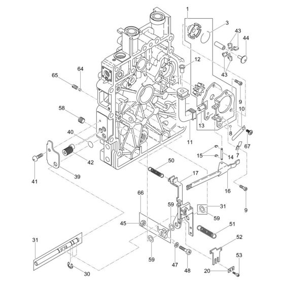
The Oil Pump Assembly for the Wacker DPS2050Hw Plate Compactor is crucial for maintaining optimal engine lubrication and performance. This assembly includes components such as gears, seals, and housings, ensuring efficient oil distribution and engine protection. Designed for the Wacker Neuson Forward Plate Compactor, it supports reliable operation and longevity.
Reviews
Add a review
Write Your Own Review
Ask a Question
Customer Questions

