Description
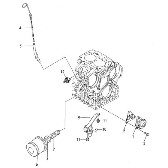
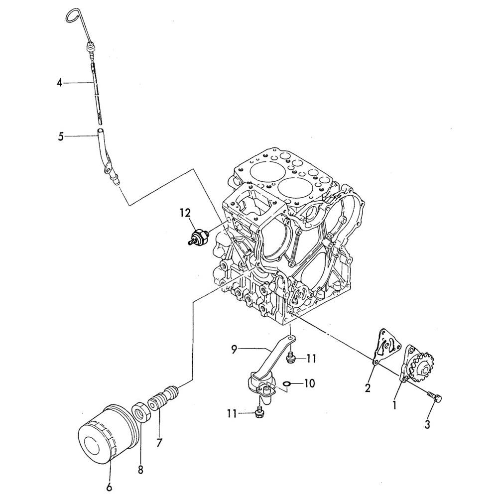
The Oil System Assembly for the Yanmar 2TN66E-YL Engine is designed to ensure optimal lubrication and performance. This assembly includes key components such as oil filters, pumps, and seals, which work together to maintain engine efficiency and longevity. Regular maintenance with genuine Yanmar parts helps prevent wear and tear, ensuring reliable operation.
Reviews
Add a review
Write Your Own Review
Ask a Question
Customer Questions

