Description
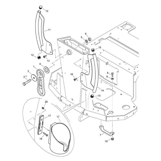
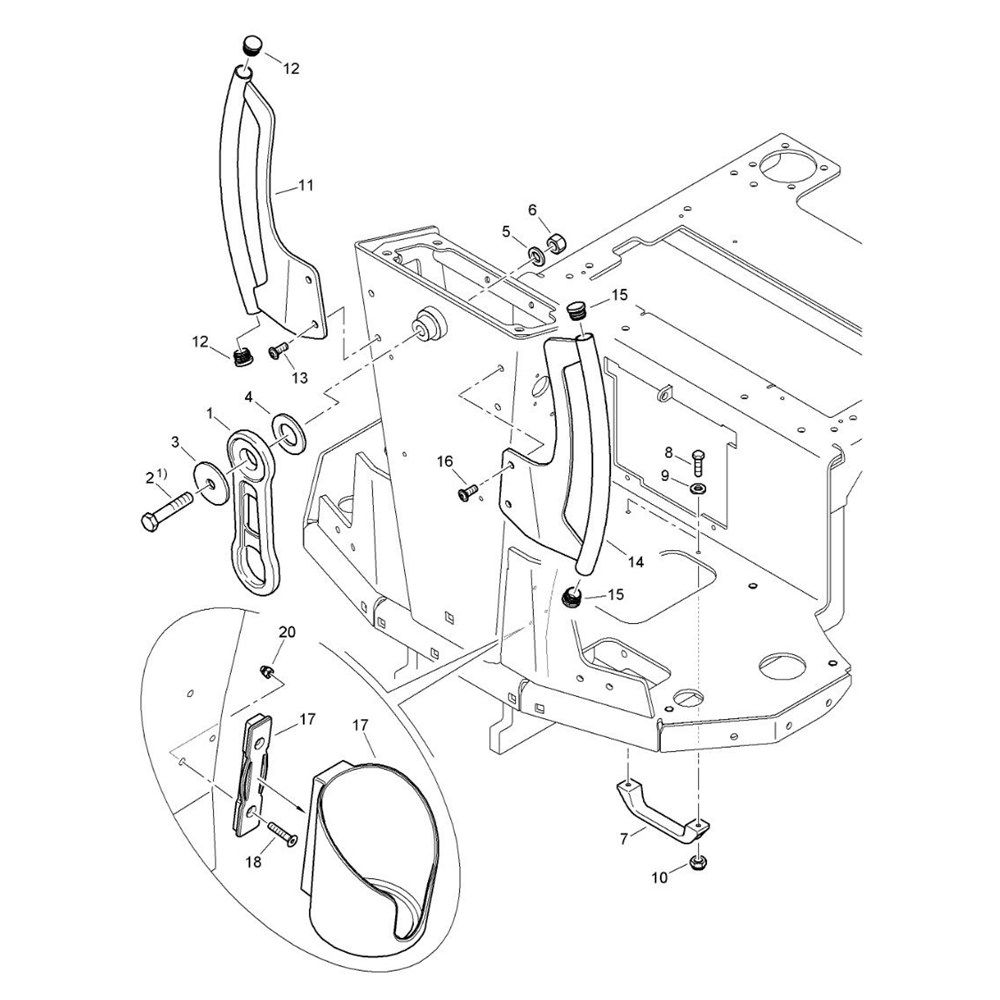
The Operator's Platform Assembly for the Bomag BW 120 AD-5 CC Roller is designed to enhance operator comfort and control. This assembly includes components such as seats, control levers, and footrests, ensuring efficient operation and ease of use. Genuine Bomag parts guarantee compatibility and durability, maintaining the roller's performance and safety standards.
Reviews
Add a review
Write Your Own Review
Ask a Question
Customer Questions

