Description
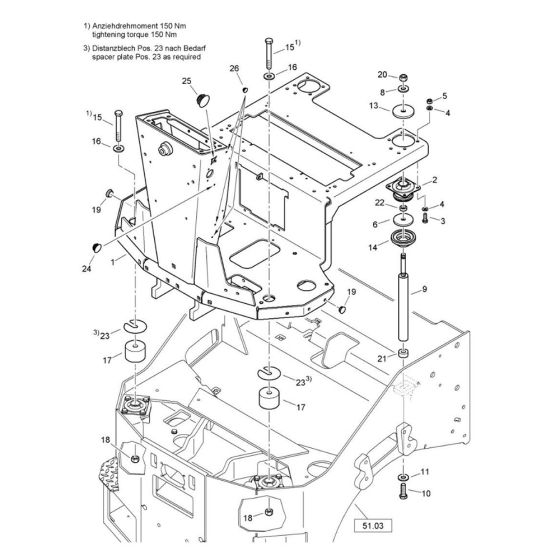
The Operator's Platform Assembly for the Bomag BW 120 ADe-5 Roller is designed to enhance operator comfort and control. This assembly includes essential components such as seats, control levers, and footrests, ensuring optimal functionality and safety. Suitable for models with serial numbers 101880761001 to 101880769999, it is crucial for maintaining the roller's performance.
Reviews
Add a review
Write Your Own Review
Ask a Question
Customer Questions

