Description
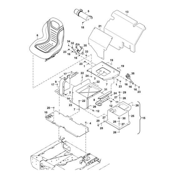
The Operator Seat Assembly for BobCat E14 Mini Excavators ensures comfort and functionality for operators. Designed for models with S/N AHNM22488 and above, it includes components like cushions, armrests, and mounting brackets. This assembly is crucial for maintaining operator comfort and control during excavation tasks. Available in genuine and non-genuine parts.
Reviews
Add a review
Write Your Own Review
Ask a Question
Customer Questions

