Description
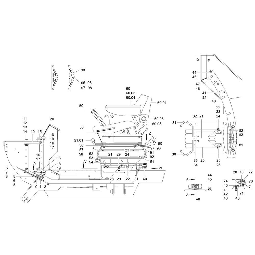
The Operators Seat Assembly for Hamm HD90 (H245) Rollers is designed to enhance operator comfort and control. This assembly includes components such as seat cushions, adjustment levers, and mounting brackets, ensuring a secure and ergonomic seating position. Genuine Hamm parts guarantee compatibility and durability, essential for maintaining optimal performance in demanding construction environments.
Reviews
Add a review
Write Your Own Review
Ask a Question
Customer Questions

