
OREC RM86G Rabbit Mower Parts
Wide selection of genuine and aftermarket OREC RM86G Rabbit Mower parts and accessories including air filters, recoil assemblies and more in stock for next day delivery. Access RM86G part diagrams for a full breakdown of parts.
Wide selection of genuine and aftermarket OREC RM86G Rabbit Mower parts and accessories including air filters, recoil assemblies and more in stock for next day delivery. Access RM86G part diagrams for a full breakdown of parts.
Shop by diagram
All products
-
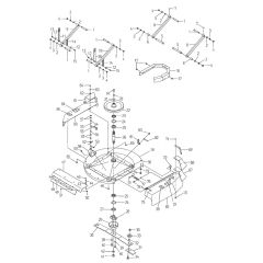
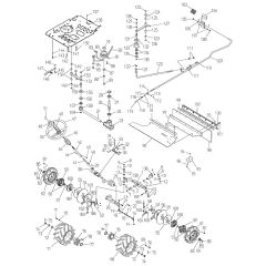
Axle Gear Cmp for Orec Machines - OEM No. OR-0207-02800£321.12 £267.60 -
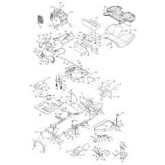
Brake Pedal for Orec Machines - OEM No. OR-0207-10100£66.16 £55.13 -
Cutting Height Guide for Orec Machines - OEM No. OR-0207-10510£167.40 £139.50 -
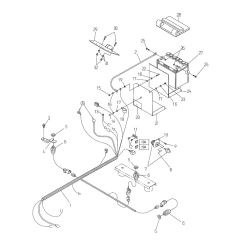
Light Bracket for Orec Machines - OEM No. OR-0207-20800£36.08 £30.07 -
Wind Shield for Orec Machines - OEM No. OR-0207-21600£36.66 £30.55 -
Center Pin for Orec Machines - OEM No. OR-0207-30700£51.68 £43.07 -
Link Bolt for Orec Machines - OEM No. OR-0207-51600£29.76 £24.80 -
Battery Cover for Orec Machines - OEM No. OR-0207-63200£22.16 £18.47 -
Grommet 45-3.5 for Orec Machines - OEM No. OR-0207-70800£12.00 £10.00 -
Pilot Lamp for Orec Machines - OEM No. OR-0207-79300£38.36 £31.97 -
Key Switch for Orec Machines - OEM No. OR-0207-79700£76.66 £63.88