Description
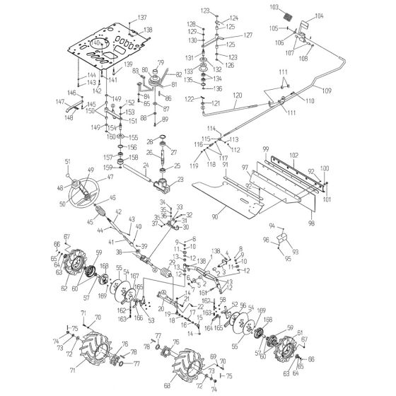
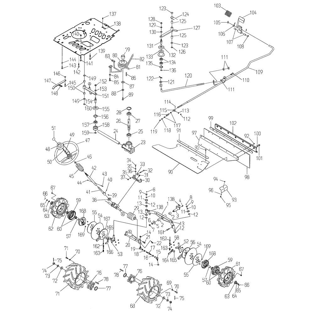
Front Axle, Wheel Assembly for OREC RM86G Mower
Genuine OREC Rabbit Ride-On Mower Parts
Genuine OREC Rabbit Ride-On Mower Parts
Reviews
Add a review
Write Your Own Review
Ask a Question
Customer Questions

