Description
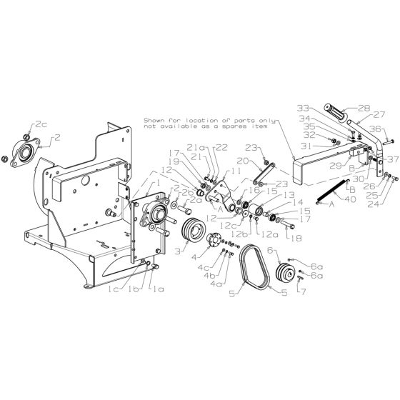
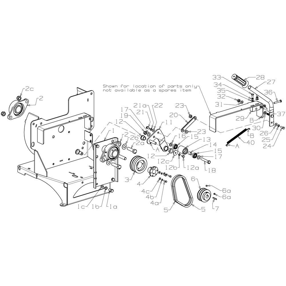
The Plate Assembly for the Masport MC900 Shredder is designed to ensure optimal performance and longevity of your machine. This assembly includes crucial components that facilitate efficient shredding operations. Genuine and non-genuine parts are available, providing flexibility in maintenance and repair. Ideal for maintaining the reliability of your shredder.
Reviews
Add a review
Write Your Own Review
Ask a Question
Customer Questions

