
DeWalt DW621 Type 3 Router Parts
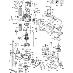
Spare Parts and Part Diagrams for DeWalt DW621 Type 3 Routers
Spare Parts and Part Diagrams for DeWalt DW621 Type 3 Routers
Shop by diagram
All products
-
Cordset (M/PLUG) - Genuine DeWalt Part - 330061-04£21.12 £17.60 -
Screw - Genuine DeWalt Part - 330065-06£2.77 £2.31 -
Screw - Genuine DeWalt Part - 330065-10£2.77 £2.31 -
Bearing - Genuine DeWalt Part - 605040-63£5.72 £4.77 -
Capacitor - Genuine DeWalt Part - 949877-01£2.77 £2.31