
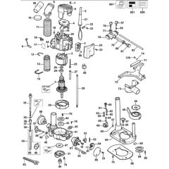
DeWalt DW622 Type 3 Router Parts
Spare Parts and Part Diagrams for DeWalt DW622 Type 3 Routers
Spare Parts and Part Diagrams for DeWalt DW622 Type 3 Routers
Shop by diagram
All products
-
Cap for DeWalt DW624, DW625E Router - 326599-01£2.77 £2.31 -
Screw - Genuine DeWalt Part - 330065-06£2.77 £2.31 -
Screw - Genuine DeWalt Part - 330065-10£2.77 £2.31 -
Bearing - Genuine DeWalt Part - 605040-63£5.72 £4.77 -
Capacitor - Genuine DeWalt Part - 949877-01£2.77 £2.31