Description
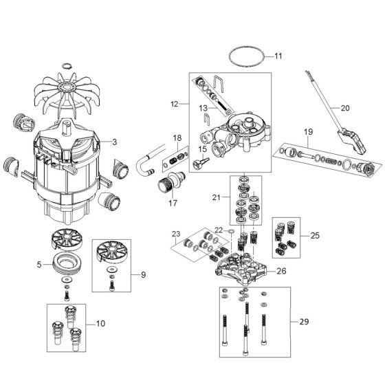
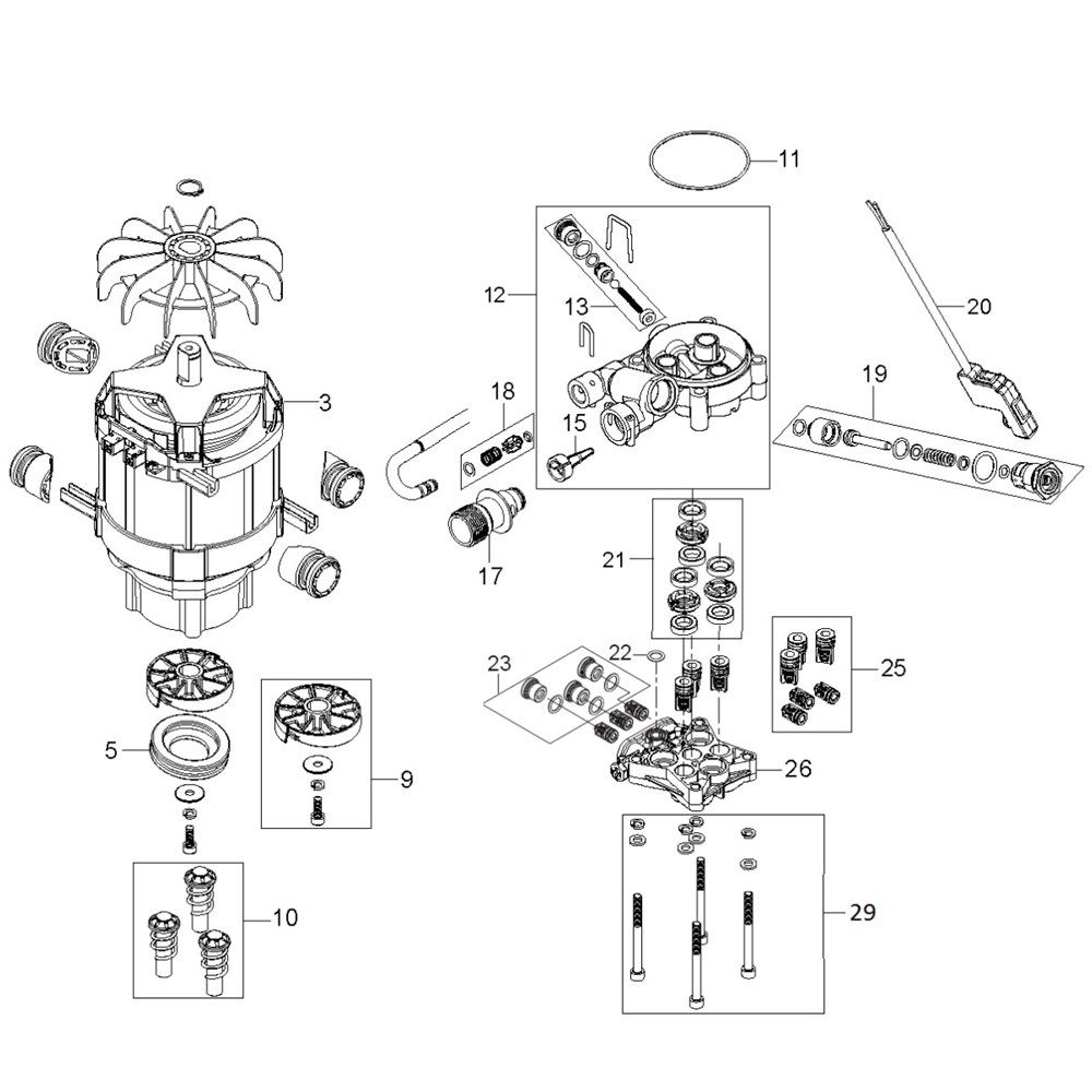
The Pump Assembly for the Husqvarna PW 350 Pressure Washer is designed to ensure optimal performance and longevity. This assembly includes key components such as seals, valves, and pistons, which work together to maintain high pressure and efficient water flow. Regular maintenance with genuine parts helps prevent wear and prolongs the life of your pressure washer.
Reviews
Add a review
Write Your Own Review
Ask a Question
Customer Questions

