Description
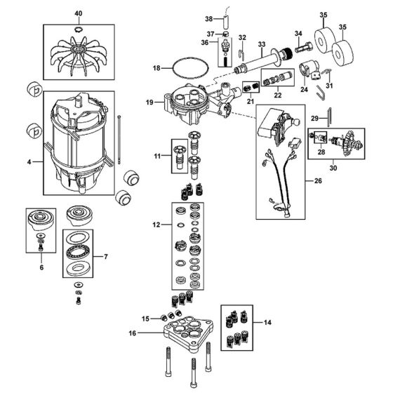
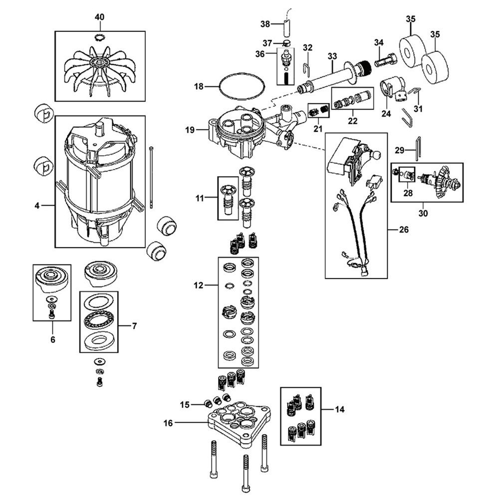
The Pump Assembly for the Husqvarna PW 490 Pressure Washer is designed to ensure optimal performance and longevity of your machine. This assembly includes vital components such as seals, valves, and pistons, which work together to maintain efficient water flow and pressure. Genuine Husqvarna parts ensure compatibility and reliability, making them ideal for routine maintenance and repairs.
Reviews
Add a review
Write Your Own Review
Ask a Question
Customer Questions

