Description
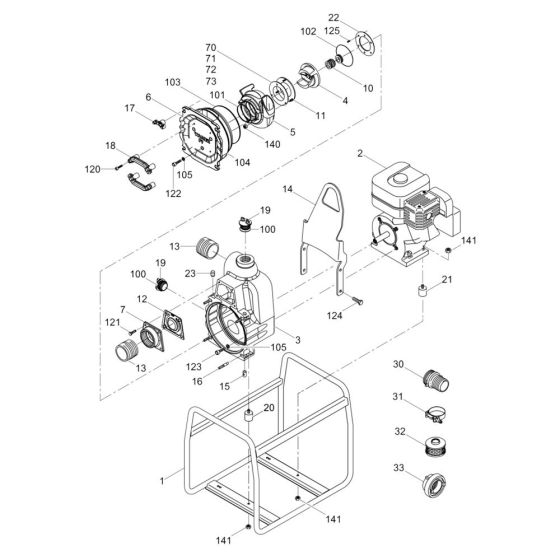
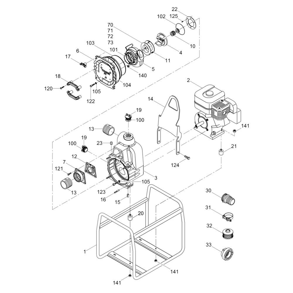
The Pump Assembly for the Wacker PT2V Pump includes genuine Wacker Neuson parts designed to ensure optimal performance and longevity. This assembly is crucial for maintaining efficient water movement and includes components such as gaskets, seals, and impellers. Regular maintenance with these parts helps prevent downtime and extends the life of your pump.
Reviews
Add a review
Write Your Own Review
Ask a Question
Customer Questions

