Description
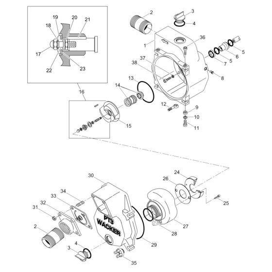
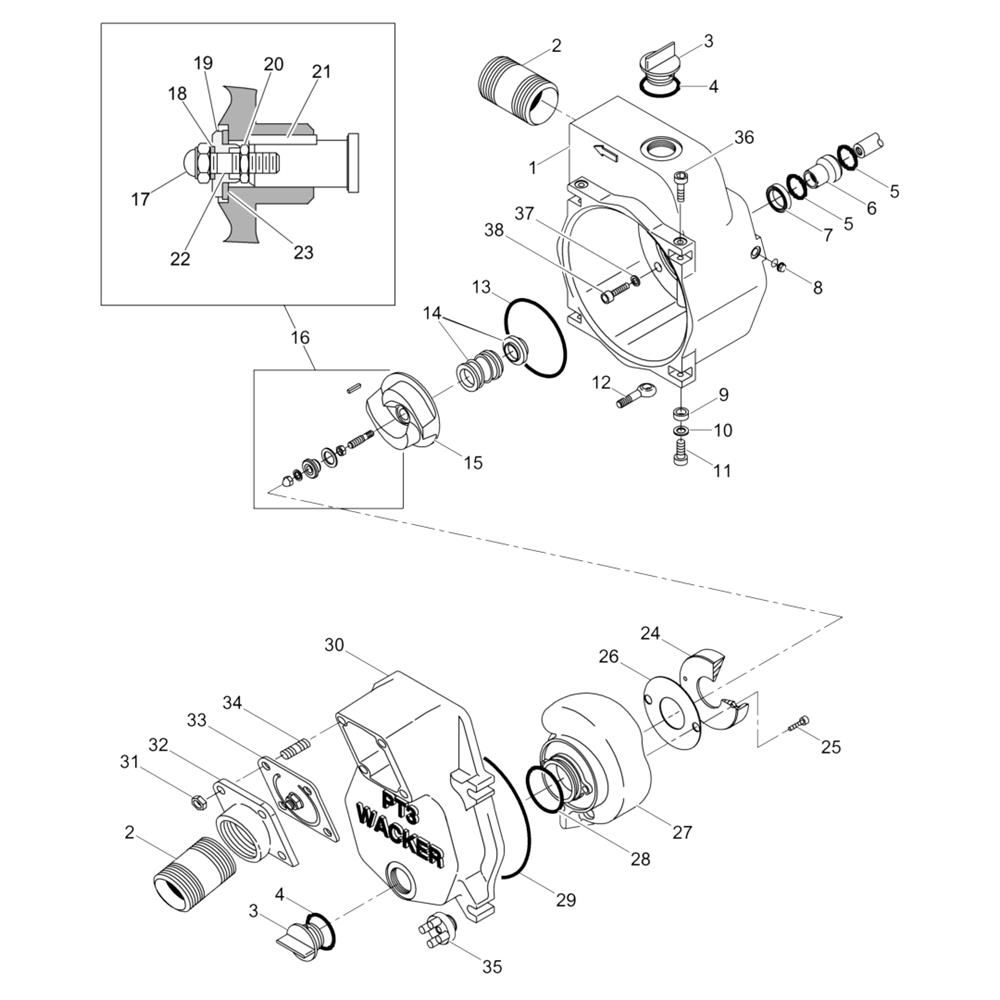
The Pump Assembly for the Wacker PT3Y Pump includes essential components to ensure efficient operation and longevity. Designed for routine maintenance and repair, this assembly helps maintain optimal performance by facilitating effective water transfer and reducing wear. Genuine Wacker Neuson parts ensure compatibility and reliability.
Reviews
Add a review
Write Your Own Review
Ask a Question
Customer Questions

