Description
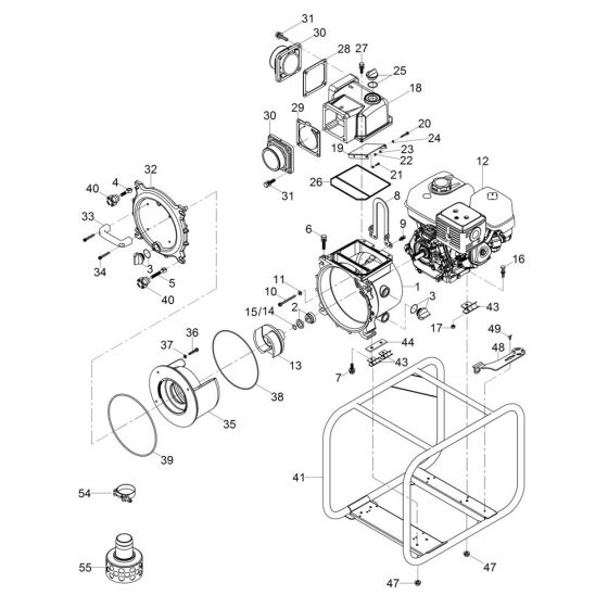
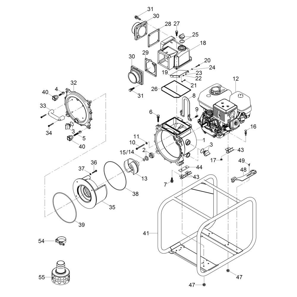
The Pump Assembly for the Wacker PT4A Pump includes genuine Wacker Neuson components designed to ensure optimal performance and longevity. This assembly plays a crucial role in maintaining efficient fluid movement and includes parts such as seals, gaskets, and impellers. Regular maintenance with these components helps prevent downtime and extends the life of your pump.
Reviews
Add a review
Write Your Own Review
Ask a Question
Customer Questions

