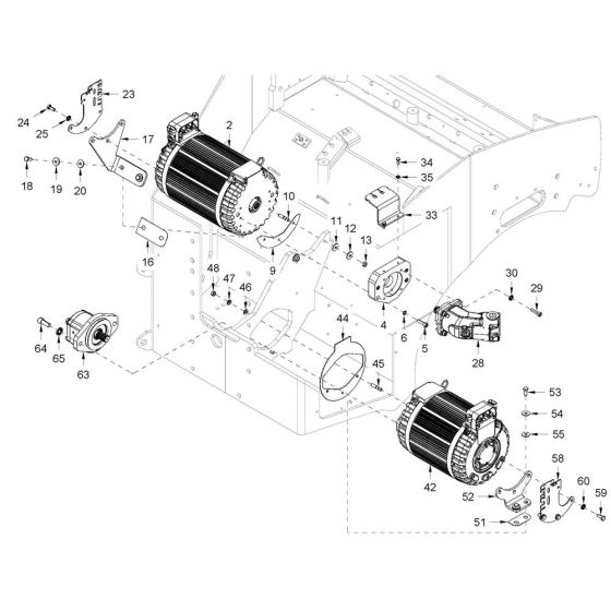
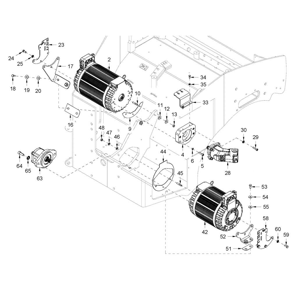
Description
The Pump Drive & Engine Assembly for Hamm HD10E - 12E (H289) Rollers is crucial for maintaining optimal performance. This assembly includes components like pumps, drives, and engine parts, ensuring efficient operation. Designed for durability, it supports the roller's functionality by providing reliable power transmission and engine performance. Available in genuine and non-genuine parts.
Reviews
Add a review
Write Your Own Review
Ask a Question
Customer Questions

