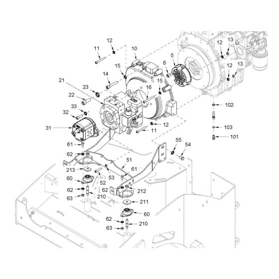
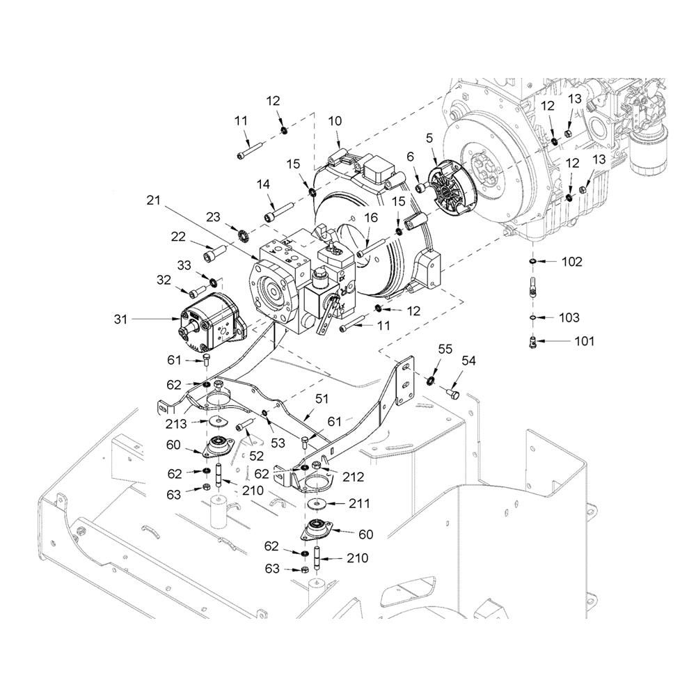
Description
The Pump Drive & Engine Assembly for Hamm HD8 - 10C (H263) Rollers is designed to ensure optimal performance and longevity. This assembly includes key components such as pumps, drives, and engine parts, essential for maintaining the roller's efficiency. Available in both genuine and non-genuine parts, it supports various maintenance and repair needs, ensuring the machine operates smoothly.
Reviews
Add a review
Write Your Own Review
Ask a Question
Customer Questions

