Description
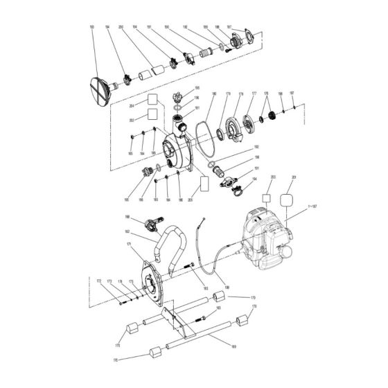
The Pump, Handle Assembly for the Makita EW1050H Water Pump includes essential components to ensure efficient operation and ease of use. Designed for both genuine and non-genuine parts, this assembly supports the pump's functionality by providing a robust handle and reliable pump mechanism. Components may include gaskets, levers, and seals, ensuring durability and performance.
Reviews
Add a review
Write Your Own Review
Ask a Question
Customer Questions

