Description
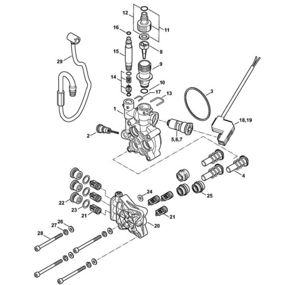
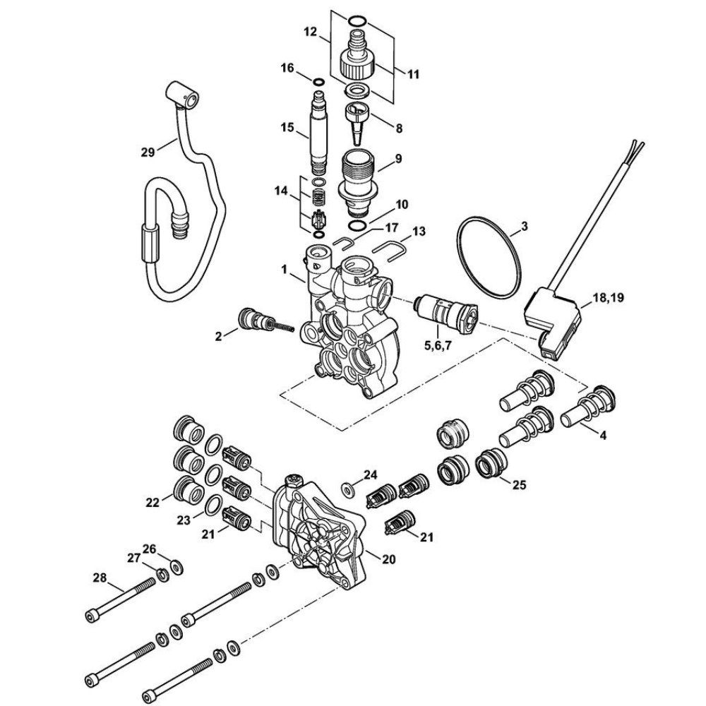
The Pump Housing and Valve Block Assembly for the Stihl RE 119 Pressure Washer ensures optimal performance and longevity. This assembly includes key components that regulate water flow and pressure, essential for efficient cleaning. Genuine Stihl parts are designed to fit perfectly and maintain the high standards expected from Stihl equipment.
Reviews
Add a review
Write Your Own Review
Ask a Question
Customer Questions

