Description
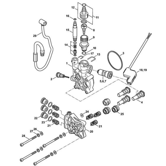
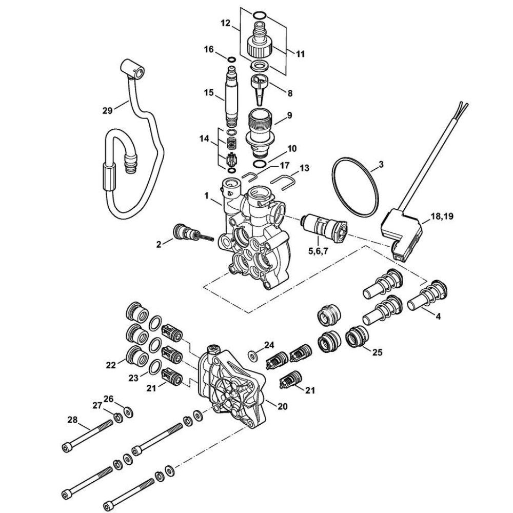
The Pump Housing and Valve Block Assembly for the Stihl RE 129 PLUS Pressure Washer are essential for maintaining optimal water flow and pressure. These components ensure efficient operation by regulating water distribution and pressure levels. Genuine Stihl parts, they are designed to fit perfectly and enhance the performance of your pressure washer.
Reviews
Add a review
Write Your Own Review
Ask a Question
Customer Questions

