Description
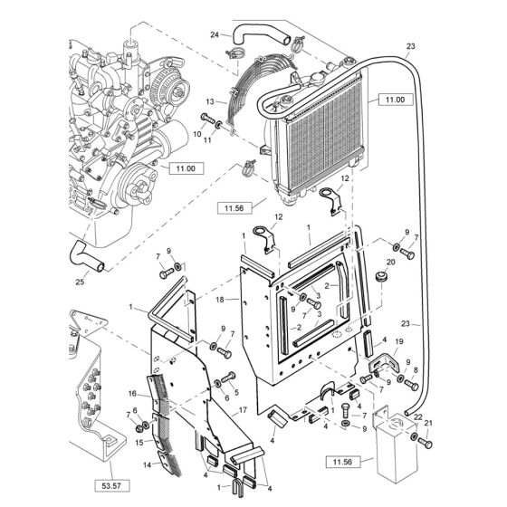
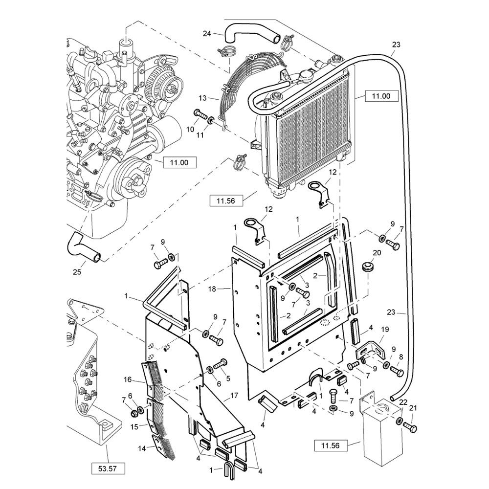
This radiator assembly is designed for the Bomag BW 80 AD-2 roller, ensuring optimal cooling performance and engine protection. It includes key components such as the core, tanks, and hoses, which work together to dissipate heat effectively. Essential for maintaining the roller's efficiency, this assembly supports prolonged operational life and reliability.
Reviews
Add a review
Write Your Own Review
Ask a Question
Customer Questions

