Description
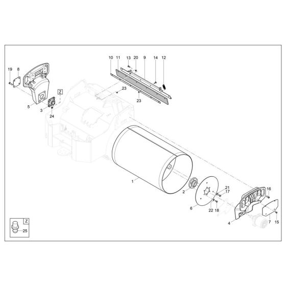
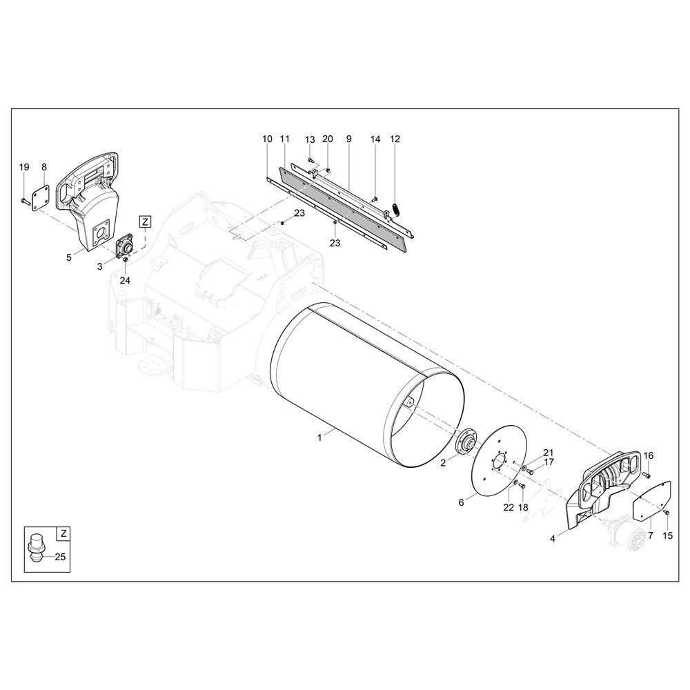
The Rear Drum Assembly for the Wacker RD14 Roller is essential for maintaining optimal performance and safety. This assembly includes key components such as the drum, bearings, and seals, ensuring smooth operation and effective compaction. Designed for the Wacker Neuson Tandem Roller, it supports efficient ground preparation and maintenance tasks.
Reviews
Add a review
Write Your Own Review
Ask a Question
Customer Questions

