Description
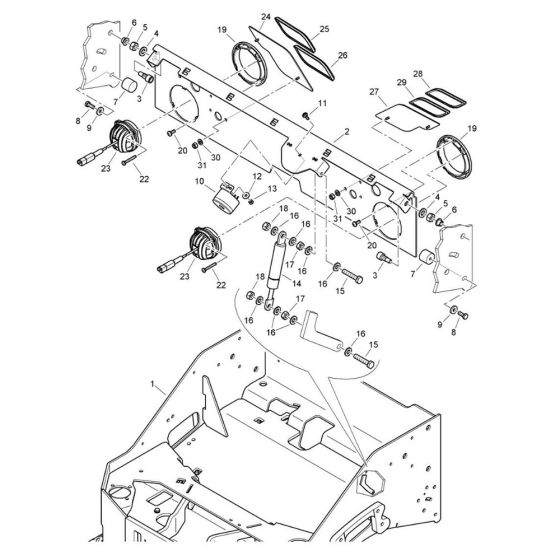
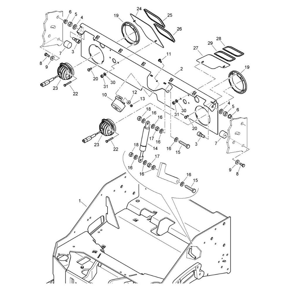
The Rear Frame Assembly for the Bomag BW 120 ADe-5 Roller is crucial for maintaining the structural integrity and performance of the machine. This assembly includes components such as brackets, mounts, and fasteners, ensuring stability and durability during operation. Designed for specific serial numbers, it supports efficient and safe tandem roller function.
Reviews
Add a review
Write Your Own Review
Ask a Question
Customer Questions

