Description
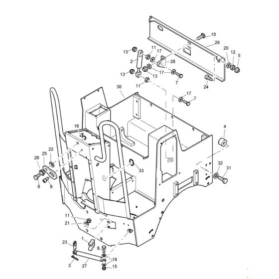
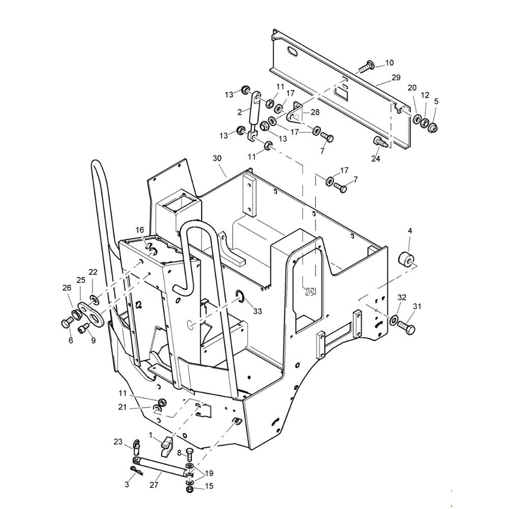
The Rear Frame Assembly for the Bomag BW 80 AD-2 Roller is designed to ensure structural integrity and optimal performance. This assembly includes key components such as brackets, supports, and fasteners, essential for maintaining the roller's stability and function. Suitable for models with serial numbers 101460422658 to 101460428230, it supports efficient operation in construction and roadwork applications.
Reviews
Add a review
Write Your Own Review
Ask a Question
Customer Questions

