Description
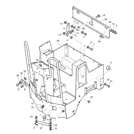
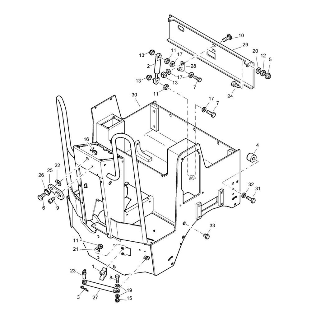
The Rear Frame Assembly for the Bomag BW80 ADS Roller is crucial for maintaining the structural integrity and performance of the machine. This assembly includes key components such as brackets, supports, and fasteners, ensuring the roller operates smoothly and efficiently. Designed for durability, it supports the roller's rear section, providing stability during operation.
Reviews
Add a review
Write Your Own Review
Ask a Question
Customer Questions

