Description
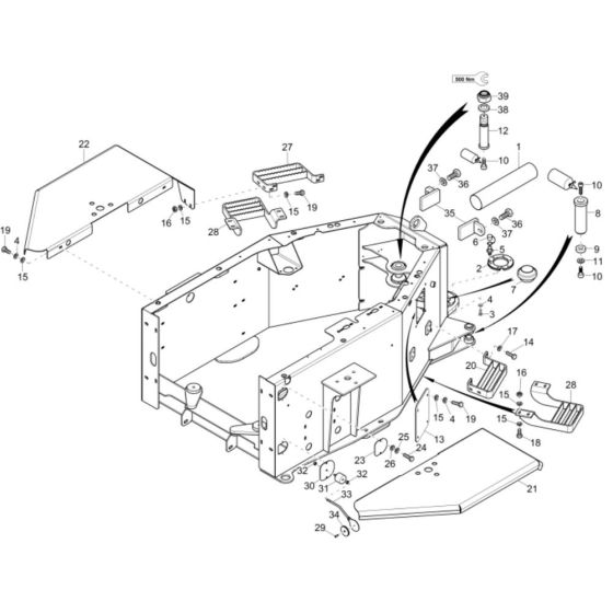
The Rear Frame Assembly for the Wacker 10001 Dumper is a crucial component that supports the machine's structure and ensures stability during operation. This assembly includes various parts such as brackets, mounts, and fasteners, all designed to fit seamlessly with the Wacker Neuson Dumper. Regular maintenance of these components helps in maintaining the dumper's performance and longevity.
Reviews
Add a review
Write Your Own Review
Ask a Question
Customer Questions

