Description
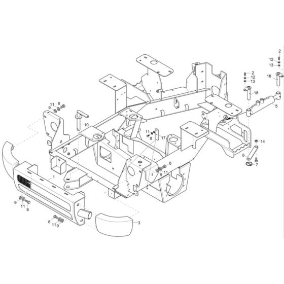
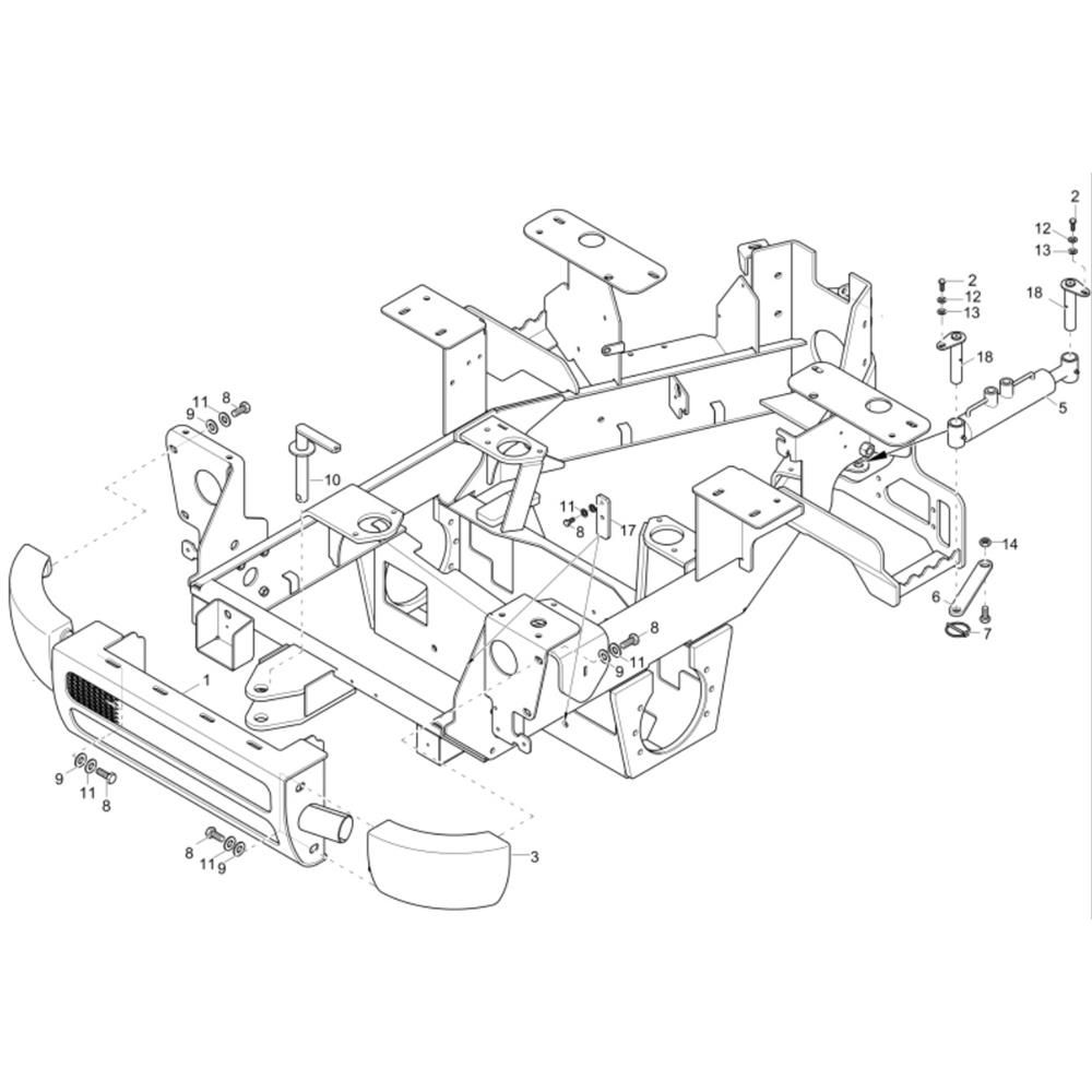
The Rear Frame Assembly for the Wacker 1601 Dumper is crucial for maintaining the structural integrity and functionality of the machine. This assembly includes essential components such as brackets, mounts, and fasteners, ensuring the dumper operates efficiently. Designed to withstand heavy-duty use, it supports the rear section and contributes to the overall stability and performance of the dumper.
Reviews
Add a review
Write Your Own Review
Ask a Question
Customer Questions

