Description
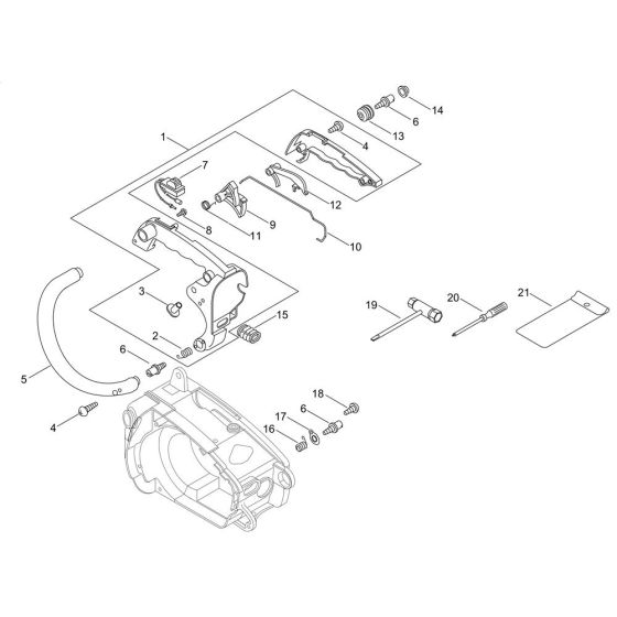
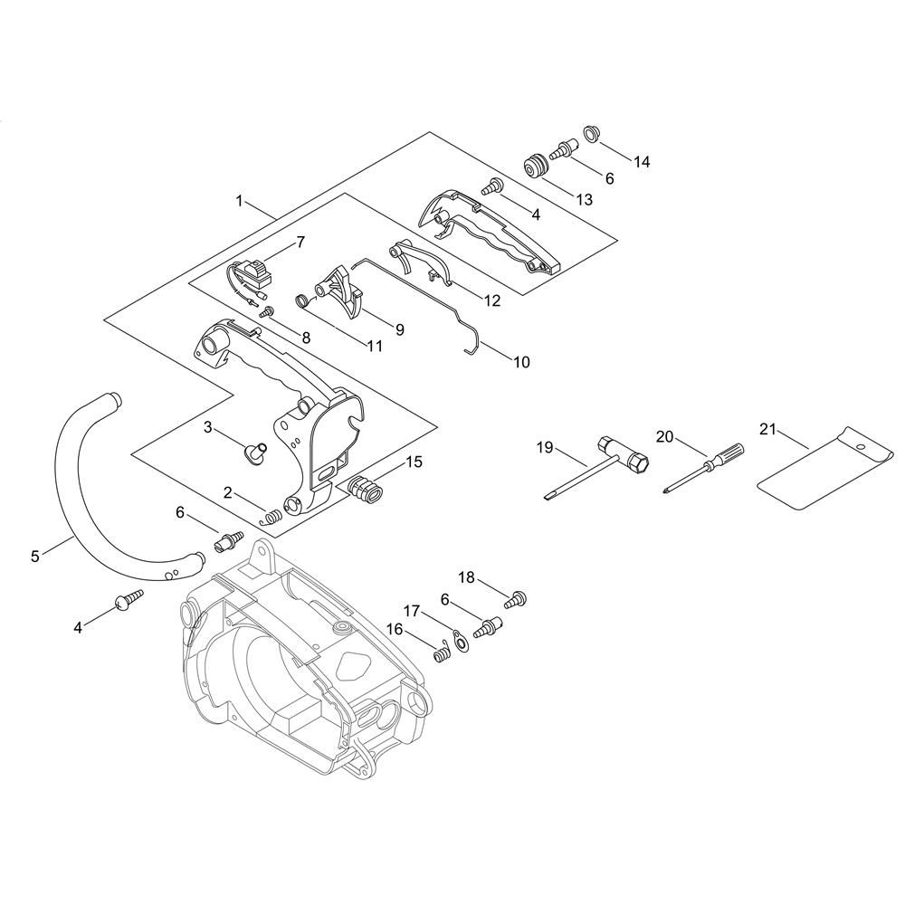
The rear handle for the Shindaiwa 269TS Chainsaw is designed to provide stability and control during operation. This component is crucial for safe handling and efficient cutting. Available in both genuine and non-genuine parts, it ensures compatibility and performance. The handle is essential for maintaining grip and balance, contributing to the overall functionality of the chainsaw.
Reviews
Add a review
Write Your Own Review
Ask a Question
Customer Questions

